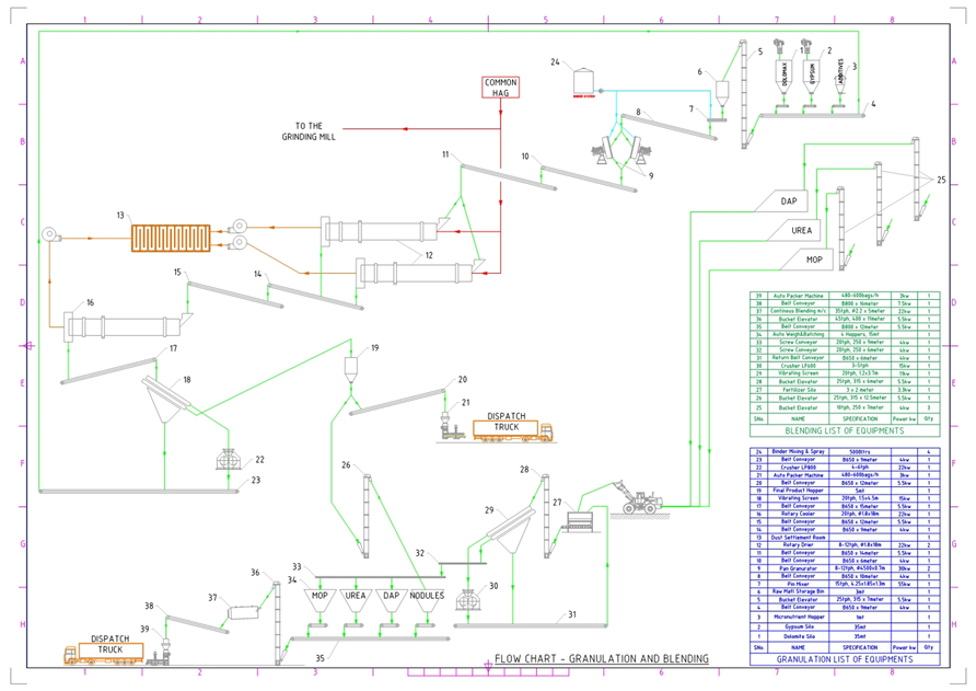
Bulk blending of dry fertilizers has grown in Europe, North America, and Asia as the demand for small batches of specific fertilizers matched to crop needs increased. Matching bulk blends to the specific nutrient requirements of crops helps optimize the use of the applied nutrients and protects the environment through balanced nutrition. The increase in bulk blending has resulted in the need to pay close attention to producing quality fertilizer blends.
Blending of Dry Fertilizers
Blending of Dry Fertilizers
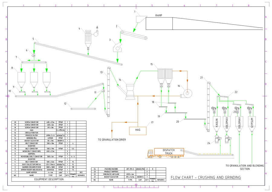
Compound Macro and Micro Nutrients Granules Produced at Athi River Factory using our natural minerals resources | Imported raw materials